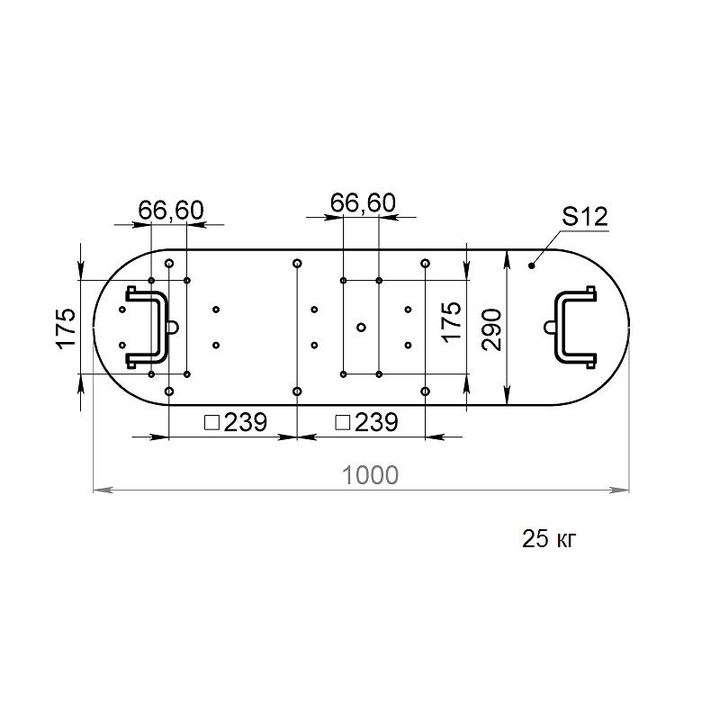
Опора RS-MT-BP-HOTDOG является идеальным решением для монтажа ферм в любом помещении. Она оснащена двумя положениями отверстий для монтажа ферм - центральным и крайним - что позволяет установить фермы как близко к стене, так и в центре опоры. Это значительно упрощает процесс монтажа и позволяет легко настраивать положение фермы на опоре в соответствии с конкретными требованиями вашего проекта.
Кроме того, наша опора оснащена двумя утопленными ручками для удобства перемещения. Это позволяет легко перемещать опору и фермы по всему помещению и быстро настраивать положение для оптимальной поддержки и устойчивости конструкции.
Наша опора совместима с фермами RS-TC-Q30 и RS-TM-Q20, что делает ее универсальным решением для широкого спектра проектов. Независимо от того, нужна ли вам опора для монтажа ферм в жилом доме, офисном здании или любом другом коммерческом помещении, опора RS-MT-BP-HOTDOG готова решить ваши потребности в монтаже ферм и обеспечить долговечную и надежную поддержку вашей конструкции.